企業簡介
虹潤概覽
智能製造
知識產權
國家標準
虹潤資質
典型用戶
vwin官网免费下载
領導關懷
虹潤榮譽
社會貢獻
人大履職
新聞動態
主流媒體
員工之家
虹潤黨建
產品中心
產品訂製
電視台•視頻
大事記
經典案例
測試中心
常見問題
資料下載
智能客服
人才理念
人才招聘
聯係方式
物資招標
在線留言
試用申請
English
NHR-X33係列導軌式智能配電器
NHR-X32係列導軌式智能溫度變送器
導軌式智能配電器
智能配電器
NHR-X33係列
虹潤組態軟件
虹潤 HRStudio 組態軟件采用開放式密鑰,無點數限製;凡購買虹潤帶有 RS485/232、以太網通訊功能的儀表,單筆訂單滿 3800 元,即免費贈送HRStudio 組態軟件及對應密鑰;若您在組態過程中有任何疑問,我們提供專業遠程協助。
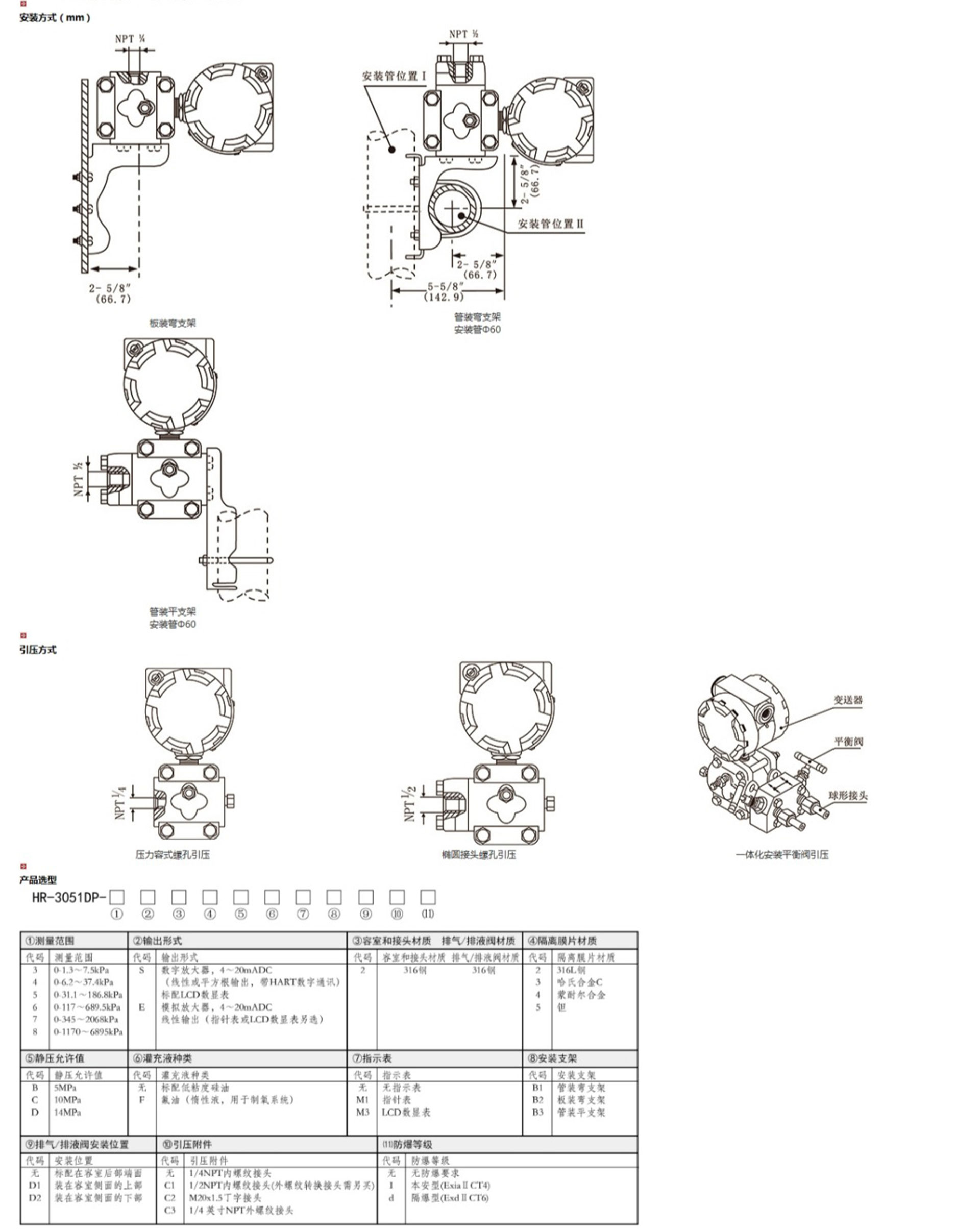
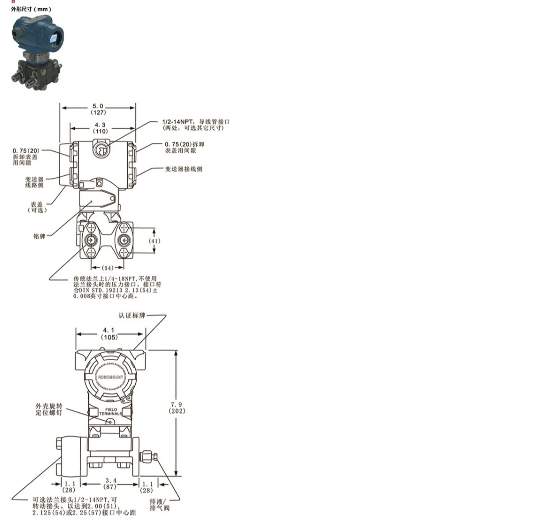
HR-3051DP差壓變送器
HR-3051DP差壓變送器主要用於測量液體、氣體或蒸汽的差壓、壓力、液位和密度,然後將其轉換成4~20mA.DC信號輸出。
谘詢電話 0599-7821390
商務郵箱 hrgs@hrgs.com.cn
直接掃碼
虹潤微信客服
虹潤官方微信
fjhongrun