虹潤組態軟件

虹潤 HRStudio 組態軟件采用開放式密鑰,無點數限製;凡購買虹潤帶有 RS485/232、以太網通訊功能的儀表,單筆訂單滿 3800 元,即免費贈送HRStudio 組態軟件及對應密鑰;若您在組態過程中有任何疑問,我們提供專業遠程協助。

NHR產品選型 OHR產品選型 HR產品選型
產品選型 數顯儀表與溫控器 無紙記錄儀 嵌入式采集工作站 隔離器與溫度變送器 環境監測儀 水質在線監測儀 電量儀表與變送器 可編程控製器 過程校驗儀 傳感器與變送器
隔離器與溫度變送器 信號隔離器 配電器 導軌式人工智能溫控器 溫度變送器 頻率轉換器 開關量隔離器 隔離通訊轉換器 隔離式安全柵 手持式編程器 線性電阻(磁翻板)變送器(圓卡) 智能溫度變送器(圓卡) 隔離溫度變送器(圓卡) HART溫度變送器(圓卡) LCD溫度變送器 一體化溫度變送器

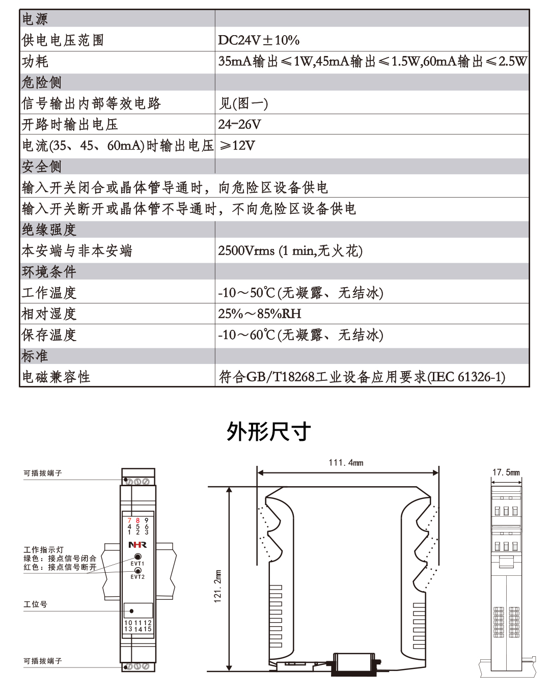
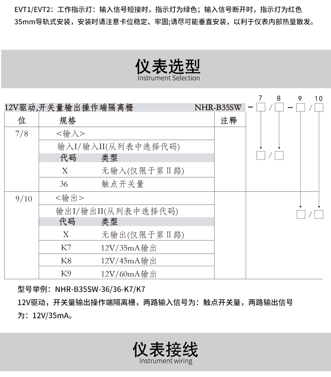
NHR-B35係列12V驅動,開關量輸出操作端隔離柵

虹潤公司是專業生產隔離器的國家專精特新“小巨人”企業。生產的隔離式操作端安全柵涵蓋信號電壓輸入、電流輸入、開關量輸入等多種產品類型。產品獲得具備減震抗幹擾能力的溫度變送器、信號隔離器、一種二端子模塊、無源信號隔離器等4項國家發明專利,主持起草物聯網智能溫度儀表、現場設備工具(FDT)接口規範、工業過程測量和控製係統用溫度變送器等3項國家標準,以及通信係統多通道數據采集控製終端規範軍用標準。參與國際5G標準製定,取得智能隔離式安全柵等4項相關軟件著作權。產品廣泛應用於石油、電力、化工,冶金、智能製造、汙水處理等諸多行業。

聯係我們

谘詢電話 0599-7821390

商務郵箱 hrgs@hrgs.com.cn

直接掃碼

虹潤微信客服

虹潤官方微信

fjhongrun

© 版權所有 vwin德赢ac米兰官方 閩ICP備05020565號-1