虹潤組態軟件

虹潤 HRStudio 組態軟件采用開放式密鑰,無點數限製;凡購買虹潤帶有 RS485/232、以太網通訊功能的儀表,單筆訂單滿 3800 元,即免費贈送HRStudio 組態軟件及對應密鑰;若您在組態過程中有任何疑問,我們提供專業遠程協助。

NHR產品選型 OHR產品選型 HR產品選型
產品選型 數顯儀表與溫控器 無紙記錄儀 嵌入式采集工作站 隔離器與溫度變送器 環境監測儀 水質在線監測儀 電量儀表與變送器 可編程控製器 過程校驗儀 傳感器與變送器
電量儀表與變送器 漏電流變送器 電壓/電流表 相序監控繼電器 電壓電流越限報警器 電能質量分析記錄儀 頻率與轉速表 交流電壓電流表 定時器 無功補償控製器 計時器 單相電量表 計數器 三相綜合電量表 電廠專用轉速表 交直流電流電壓變送器 電量變送器

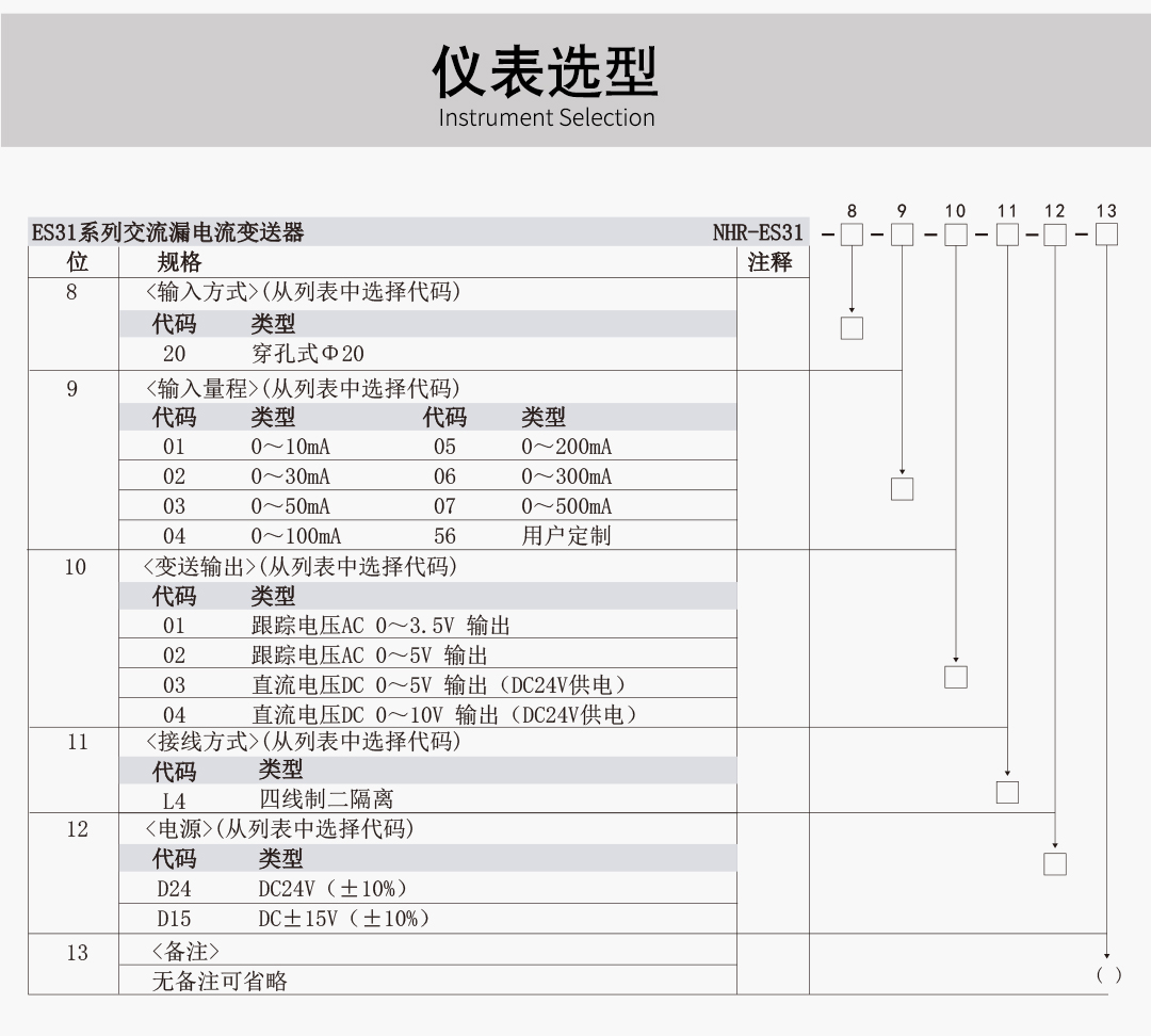
NHR-ES30係列交流/直流漏電流變送器

虹潤公司是專業生產電流傳感器的國家專精特新“小巨人”企業。生產的交流/直流漏電流變送器,具有交直漏電電流輸入、高精準測量、響應速度快、高抗幹擾、全隔離設計等特點。產品獲得一種交流信號變送器、交直流信號轉換電路、基於DCS技術的盤裝式三相電量表等3項國家發明專利,主持起草工業過程控製係統用模擬輸入兩位或多位輸出儀表國家標準,直流漏電流傳感器規範、通信係統多通道數據采集控製終端規範等2項軍用標準,以及現場設備集成等5項智能製造國家標準,參與國際5G標準製定。產品廣泛應用於工業自動化、電力、新能源、科研實驗基礎設施等需要電力參數監測的領域。

聯係我們

谘詢電話 0599-7821390

商務郵箱 hrgs@hrgs.com.cn

直接掃碼

虹潤微信客服

虹潤官方微信

fjhongrun

© 版權所有 vwin德赢ac米兰官方 閩ICP備05020565號-1