虹潤組態軟件

虹潤 HRStudio 組態軟件采用開放式密鑰,無點數限製;凡購買虹潤帶有 RS485/232、以太網通訊功能的儀表,單筆訂單滿 3800 元,即免費贈送HRStudio 組態軟件及對應密鑰;若您在組態過程中有任何疑問,我們提供專業遠程協助。

NHR產品選型 OHR產品選型 HR產品選型
產品選型 數顯儀表與溫控器 無紙記錄儀 嵌入式采集工作站 隔離器與溫度變送器 環境監測儀 水質在線監測儀 電量儀表與變送器 可編程控製器 過程校驗儀 傳感器與變送器
數顯儀表與溫控器 顯示控製儀 模糊PID溫控器 人工智能調節儀 手動操作器 流量積算儀 數字顯示容積儀 多路巡檢儀 導軌式數顯表 導軌式數顯溫度變送器 導軌式溫控器 導軌流量積算儀 導軌多路巡檢儀 閃光報警器 壁掛式溫控器 壁掛式數顯表 移相觸發器 固態繼電器

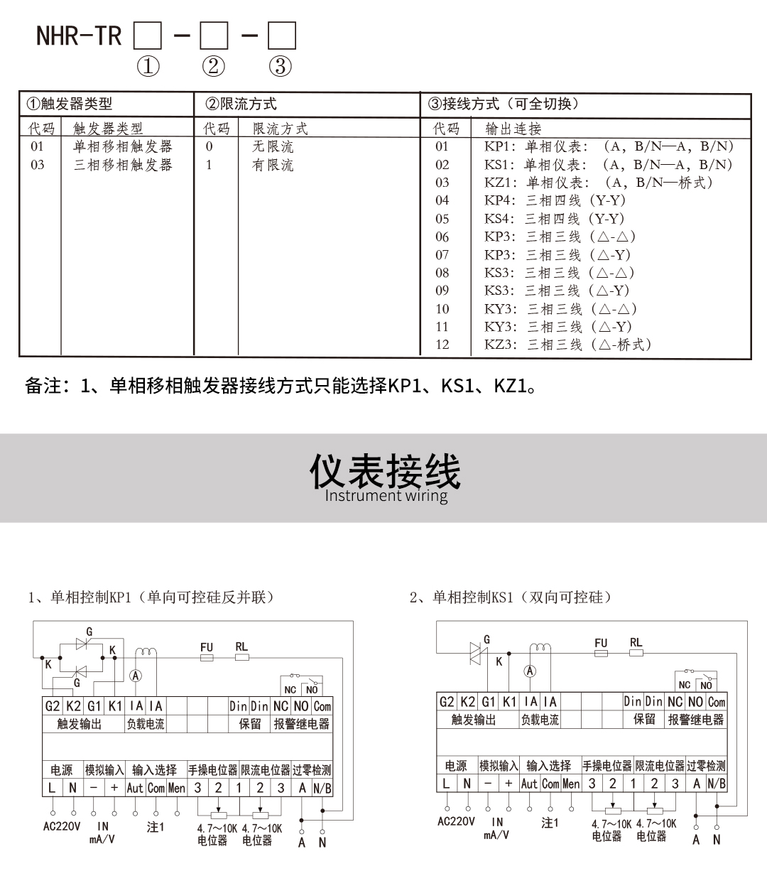
NHR-TR00係列移相觸發器

虹潤公司是專業生產移相觸發器的國家專精特新“小巨人”企業,生產的移相觸發器,具有適用半控全控橋式相位控製,鋸齒波線性好,移相範圍寬,相位輸出保護,輸出電流大等特點。產品獲得巡回檢測顯示方法及裝置、儀表殼體等2項國家發明專利,主持起草工業過程控製係統用模擬輸入兩位或多位輸出儀表、物聯網智能溫度儀表通用技術條件等2項國家標準以及通信係統多通道數據采集控製終端規範軍用標準,參與國際5G標準製定,取得移相觸發器等2項相關軟件著作權。產品廣泛應用於工業溫控、電極控製、航天軍工、電爐溫控、食品醫藥等諸多領域。

聯係我們

谘詢電話 0599-7821390

商務郵箱 hrgs@hrgs.com.cn

直接掃碼

虹潤微信客服

虹潤官方微信

fjhongrun

© 版權所有 vwin德赢ac米兰官方 閩ICP備05020565號-1